SO-4贴片光耦/4DIP光耦合器
| 产品系列 | 常用规格型号 | 品牌 | 资料下载 |
|---|---|---|---|
| 光耦合器 |
SO-4封装四脚贴片光耦:NEC-PS2501L-1-E3-A-KK 4DIP四脚直插光耦:NEC-PS2501-1-E3-A-KK
|
NEC |
|
|
SO-4封装贴片四脚光耦:EL817系列 4 Pin DIP直插光耦:EL817系列 |
|
光耦合器选购常见问题解答
|
光耦合器(optical coupler,英文缩写为OC)亦称光电隔离器,简称光耦。光耦合器以光为媒介传输电信号。它对输入、输出电信号有良好的隔离作用,所以,它在各种电路中得到广泛的应用。目前它已成为种类较多、用途广泛的光电器件之一。光耦合器一般由三部分组成:光的发射、光的接收及信号放大。输入的电信号驱动发光(LED),使之发出一定波长的光,被光探测器接收而产生光电流,再经过进一步放大后输出。这就完成了电—光—电的转换,从而起到输入、输出、隔离的作用。由于光耦合器输入输出间互相隔离,电信号传输具有单向性等特点,因而具有良好的电绝缘能力和抗干扰能力。又由于光耦合器的输入端属于电流型工作的低阻元件,因而具有很强的共模抑制能力。所以,它在长线传输信息中作为终端隔离元件可以大大提高信噪比。在计算机数字通信及实时控制中作为信号隔离的接口器件,可以大大增加计算机工作的可靠性。
光电耦合器件是由发光元件(如发光二极管)和光电接收元件合并使用, 以光作为媒介传递信号的光电器件。 光电耦合器中的发光元件通常是半导体的发光二极管, 光电接收元件有光敏、光敏二极管、光敏三极管或光可控硅等。 根据其结构和用途不同,又可分为用于实现电隔离的光电耦合器和用于检测有无物体的光电开关。 |
| 返回网页顶部(TOP) |
|
光耦隔离就是采用光耦合器进行隔离,光耦合器的结构相当于把发光二极管和光敏(三极)管封装在一起。发光二极管把输入的电信号转换为光信号传给光敏管转换为电信号输出,由于没有直接的电气连接,这样既耦合传输了信号,又有隔离作用。只要光耦合器质量好,电路参数设计合理,一般故障少见。如果系统中出现异常,使输入、输出两侧的电位差超过光耦合器所能承受的电压,就会使之被击穿损坏。 光隔离是一种很常用的信号隔离形式。常用光耦器件及其外围电路组成。由于光耦电路简单,在数字隔离电路或数据传输电路中常常用到,如UART协议的20mA电流环。对于模拟信号,光耦因为输入输出的线形较差,并且随温度变化较大,限制了其在模拟信号隔离的应用。 对于高频交流模拟信号,变压器隔离是常见的选择,但对于支流信号却不适用。一些厂家提供隔离放大器作为模拟信号隔离的解决方案,如ADI的AD202,能够提供从直流到几K的频率内提供0.025%的线性度,但这种隔离器件内部先进行电压-频率转换,对产生的交流信号进行变压器隔离,然后进行频率-电压转换得到隔离效果。集成的隔离放大器内部电路复杂,体积大,成本高,不适合大规模应用。 模拟信号隔离的一个比较好的选择是使用线形光耦。线性光耦的隔离原理与普通光耦没有差别,只是将普通光耦的单发单收模式稍加改变,增加一个用于反馈的光接受电路用于反馈。这样,虽然两个光接受电路都是非线性的,但两个光接受电路的非线性特性都是一样的,这样,就可以通过反馈通路的非线性来抵消直通通路的非线性,从而达到实现线性隔离的目的。
|
| 返回网页顶部(TOP) |
|
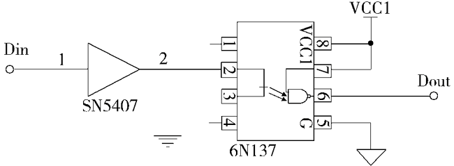
1、光耦隔离和驱动电路图: |
| 返回网页顶部(TOP) |
|
光耦选型常用参数介绍 光耦全称是光耦合器,英文名字是:optical coupler,英文缩写为OC,亦称光电隔离器,简称光耦。 光耦的技术参数主要有发光二极管正向压降VF、正向电流IF、电流传输比CTR、输入级与输出级之间的绝缘电阻、集电极-发射极反向击穿电压V(BR)CEO、集电极-发射极饱和压降VCE(sat)。此外,在传输数字信号时还需考虑上升时间、下降时间、延迟时间和存储时间等参数。
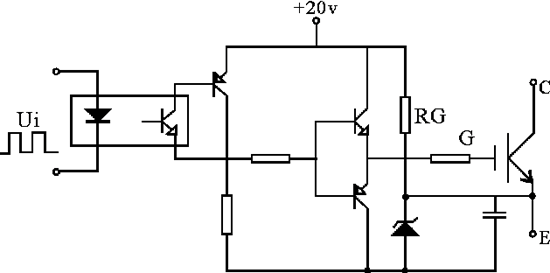
CTR:发光管的电流和光敏三极管的电流比的最小值 电流传输比是光耦合器的重要参数,通常用直流电流传输比来表示。当输出电压保持恒定时,它等于直流输出电流ic与直流输入电流IF的百分比。采用一只光敏三极管的光耦合器,CTR的范围大多为20%~300%(如4N35),而PC817则为80%~160%,达林顿型光耦合器(如4N30)可达100%~5000%。这表明欲获得同样的输出电流,后者只需较小的输入电流。因此,CTR参数与晶体管的hFE有某种相似之处。线性光耦合器与普通光耦合器典型的CTR-IF特性曲线 普通光耦合器的CTR-IF特性曲线呈非线性,在IF较小时的非线性失真尤为严重,因此它不适合传输模拟信号。线性光耦合器的CTR-IF特性曲线具有良好的线性度,特别是在传输小信号时,其交流电流传输比(ΔCTR=Δic/ΔIF)很接近于直流电流传输比CTR值。因此,它适合传输模拟电压或电流信号,能使输出与输入之间呈线性关系。这是其重要特性。 使用光电耦合器主要是为了提供输入电路和输出电路间的隔离,在设计电路时,必须遵循下列原则:所选用的光电耦合器件必须符合国内和国际的有关隔离击穿电压的标准;由英国埃索柯姆(Isocom)公司、美国摩托罗拉公司生产的4N××系列(如4N25 、4N26、4N35)光耦合器,目前在国内应用地十分普遍。鉴于此类光耦合器呈现开关特性,其线性度差,适宜传输数字信号(高、低电平),可以用于单片机的输出隔离;所选用的光耦器件必须具有较高的耦合系数。 在开关电源的隔离中,以及设计光耦反馈式开关电源时必须正确选择线性光耦合器的型号及参数, 除了必须遵循普通光耦的选取原则外,还必须遵循下列原则: 1、光耦合器的电流传输比(CTR)的允许范围是50%~200%。这是因为当CTR<50%时,光耦中的LED就需要较大的工作电流(IF>5.0mA),才能正常控制单片开关电源ic的占空比,这会增大光耦的功耗。若CTR>200%,在启动电路或者当负载发生突变时,有可能将单片开关电源误触发,影响正常输出。 2、若用放大器电路去驱动光电耦合器,必须精心设计,保证它能够补偿耦合器的温度不稳定性和漂移。 3、推荐采用线性光耦合器,其特点是CTR值能够在一定范围内做线性调整。 上述使用的光电耦合器时工作在线性方式下,在光电耦合器的输入端加控制电压,在输出端会成比例地产生一个用于进一步控制下一级电路的电压,是单片机进行闭环调节控制,对电源输出起到稳压的作用。 为了彻底阻断干扰信号进入系统,不仅信号通路要隔离,而且输入或输出电路与系统的电源也要隔离,即这些电路分别使用相互独立的隔离电源。对于共模干扰,采用隔离技术,即利用变压器或线性光电耦合器,将输入地与输出地断开,使干扰没有回路而被抑制。在开关电源中,光电耦合器是一个是非重要的外围器件,设计者可以充分的利用它的输入输出隔离作用对单片机进行抗干扰设计,并对变换器进行闭环稳压调节。
还有一种光耦是可控硅型光耦。 |
| 返回网页顶部(TOP) |
最新公告
K8凯发·(中国)电子2021年春节放假安排
K8凯发·(中国)电子2021年放假时间安排: (1) 2 月 9 日至 2 月 18 日放假,共计 10 天。2月19日开始正常上班。 (2) 2 月 18 日(年初七)安排部分业务、跟单、库房人员值...
K8凯发·(中国)电子深圳运营中心乔迁新址公
尊敬的各位新老客户、合作伙伴: K8凯发·(中国)电子深圳运营中心经过十五年的稳健发展,原办公地点已不能满足公司发展需要。 自2021年2月1日起,正式乔迁至国...
选型参考
汽车抬头显示技术用于HUD平视显示
大家好,今天K8凯发·(中国)电子来给大家介绍一款利用 汽车抬头显示技术 用于HUD 平视显示器 的控制芯片: S2D13V40。HUD 的全称是Head Up Display,即 平视显示器 ,以前...
用于无线传输设备的3225无源晶振
今天给大家介绍适用于便携式无线传输设备的3225无源晶振:TSX-3225。说到3225无源晶振,那么就不得不提下TSX-3225,ESPON的TSX-3225产品已经非常成熟,...




